正文
SEMEM_DFK-7/8电动阀门控制箱
阅读 好评
产品描述:可控制电动阀门的开启和关闭,DFK-7/8电动阀门控制箱可以实现现场操作,也可以远距离操作,阀门控制箱可以单独控制也可集中控制,电动阀门控制器对于大量使用管道阀门的石油、化工、水 ...
SEMEM_DFK-7/8电动阀门控制箱
SEMEM_DFK-7/8电动阀门控制箱

一、DFK-7/8型电动阀门控制箱 概述:
DFK型电动阀门控制器是与阀门电动装置配套的产品,用以控制电动阀门的开启和关闭,它可以实现现场操作,也可以远距离操作,可以单独控制也可集中控制,对于大量使用管道阀门的石油、化工、水电、煤炭、冶金等工业部门具有重要的意义。
二、DFK-7/8型电动阀门控制箱 技术参数:
1、型号、规格:控制器按其控制的电动机功率(额定电流)不同,划分如下型号
曾用型号:DFK-1(DFK1)、DFK-2(DFK2)、DFK-3(DFK3)、DFK-4(DFK4)。
|
型 号 |
DFK-5 |
DFK-6 |
DFK-7 |
DFK-8 |
|
电动机功率(KW) |
0-3 |
4-7.5 |
0-3 |
4-7.5 |
|
额 定 电 流(A) |
10 |
20 |
10 |
20 |
2、电源电压:380VAC 50Hz三相四线
3、工作条件:a)环境温度0-50度,b)相对温度85%,c)周围不含有腐蚀性、易燃、易爆的物质,d)海拔不高于1000米
4、外形及开孔尺寸:控制器有盘装式和墙挂式两种结构形式。
|
型 号
|
DFK-5 |
DFK-6 |
DFK-7 |
DFK-8 |
|
外形尺寸(mm) |
(宽*高*深) |
(宽*高*深) |
(宽*高*深) |
(宽*高*深) |
|
开孔尺寸(mm) |
152*152 |
152*152 |
|
|
|
结构形式 |
盘装式 |
墙挂式 |
||

5、重量
|
型 号
|
DFK-5 |
DFK-6 |
DFK-7 |
DFK-8 |
|
重 量(kg) |
4 |
5 |
6 |
7 |
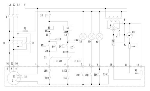
三、DFK-7/8型电动阀门控制箱原理:
DFK型电动阀门控制器的电气电路由主电路,控制电路和指示电路三部份组成,工作原理如下:
电位器1W是电动阀门附件,其阻值与阀门开度成正比,当2SA开关处于本机时,可以由本机控制。按下1SB则阀门关,按下2SB则阀门开,当达到全关或全开位置时,行程开关1WK(2WK)起作用,则接触器GKM(KKM)断电,此为全关(全开)状态,当2SA开关处于本机时,还可由11,12,15号端子引线外接的按钮3SA,4SB操作阀门的开关,且有自锁,要停止阀门动作,则要操作现场停止按钮或事故开关3SA。当超转矩开关1GK(2GK)动作时,自动使接触器断电,此时转矩超载指示灯亮,并合使对阀门的同向操作无效,直到故障被确认,操作本机电源1SA开关或现场事故开关3SA则可解除故障指示及保护状态。
阀门全开(全关)时,行程开关2WK(1WK)动作,阀门指示灯常亮,阀门在开(关)过程中,阀门指示灯闪亮,闪亮过程是由振荡器闪动开关完成的,机内有DC15V直流电源作为阀门开度表用电源,当2SA开关处于自动时,由16,11,12号端子引线外接开关,可作自动控制用,但开关操作无自锁,闭合时阀门动作,断开时阀门停止。本机有阀门位置信号的4~20mA电流输出,选型加尾注A。

四、DFK-7/8型电动阀门控制箱 面板操作说明:
DFK型电动阀门控制器面板布置见图1说明如下:
1、开度表:阀门开启、关闭的程度。
2、黄绿色指示灯:过转矩指示,全开全关指示。阀门开关过程指示灯闪动,全开全闭指示灯常亮。
3、红色指示灯:电源指示。
4、电源开关:拨到电源位置,接通电源,相反切断电源。(均指控制电源)
5、阀开按钮:控制阀开。
6、阀关按钮:控制阀关。
7、切换开关:本机位置-由本机操作或现场按钮操作(有自锁)
自动位置-由自动装置控制或现场按钮操作(无自锁)
8、开度调节电位器:调节开度表与阀门开度对应。
五、DFK-7/8型电动阀门控制箱 使用说明:
1.按电气原理图将控制器和电动装置连接好,开启电源,按工作原理介绍的内容检查控制器的各个工作状态。
2.开度表的调节,先将电位器顺时旋到头,然后开启电源,开启阀门到全开位置时,逆时针旋转,电位器调整开度表指针到100%。
3.与电动装置联接在一起的总装调整,详见阀门电动装置使用说明书
六、DFK-7/8型型电动阀门控制箱 端子接线:
DFK型电动阀门控制器通常1GK、2GK、1WK、2WK有常开接点,则端子5、6应与电源端子N连接。不使用1GK、2GK、1WK、2WK的常闭接点,此时5、6号端子应与N端子短接。



