正文
SEMEM_DKX电动阀门控制箱
阅读 好评
产品描述:DKX型电动阀门控制箱控制电动阀门的开启和关闭。阀门控制箱可以实现在控制室内远距离对电动阀门的控制.电动阀门控制器控制可靠、开度指示准确且操作简便.
SEMEM_DKX电动阀门控制箱
SEMEM_DKX电动阀门控制箱
![]() |
![]() |
![]() |
|
DKX-C (抽屉式) |
DKX-G1 (墙挂式) |
DKX-G2 (户外墙挂式) |
一、DKX型电动阀门控制箱 概述
DKX型电动阀门控制箱是与阀门电动装置配套使用的产品,用以控制电动阀门的开启和关闭,可以实现在控制室内远距离对电动阀门的控制。阀门控制箱与电动阀门配套后广泛地应用于使用管道阀门的给排水、供热、电站、化工、食品、纺织、造纸、制药、船舶、钢铁和煤炭等工业部门。
特点1:控制电路采用直流稳压电源,控制可靠、开度指示准确且操作简便。
特点2:机壳采用标准的仪表机箱,体积小,重量轻,便于安装在控制屏上.电动阀门出力矩时有蜂鸣器报警,便于及时排除故障。
二、DKX型电动阀门控制箱 参数
阀门控制箱按其控制的电动机功率(额定电流)不同,划分如下型号:
| 型号 |
DKX-C-10 |
DKX-C-20 |
DKX-G-10 |
DKX-G-20 |
|
电动机功率(KW) |
0.09-3 |
4-7.5 |
0.09-3 |
4-7.5 |
|
额定电流(A) |
10 |
20 |
10 |
20 |
电源:380V,50Hz,三相四线
环境温度:-20~+40℃
相对湿度:不大于80%(20±5℃时)周围不含有强腐蚀性、易燃易爆介质。
外形及开孔尺寸:阀门控制箱有抽屉式电动阀门控制箱和墙挂式电动阀门控制箱两种结构形式。
|
型号
|
DKX-C-10 |
DKX-C-20 |
DKX-G-10 |
DKX-G-20 |
|
外形尺寸(mm) |
(宽*高*深) |
(宽*高*深) |
(宽*高*深) |
(宽*高*深) |
|
开孔尺寸(mm) |
152*152 |
152*152 |
|
|
|
结构形式 |
抽屉式 |
墙挂式(G1户内,G2户外) |
||
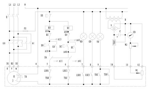
三、DKX型电动阀门控制箱 原理
电动阀门控制箱的电路主要由控制电路、工作显示电路、开度指示电路和主电路(主电路中的行程和力矩微动开关KXK,GXK,KZK,GZK和电机在阀门电动装置内)四部分组成。
接通阀门控制箱的电源后,电源指示灯亮,现场/远控指示灯显绿色,电动阀门控制箱为远控状态。
当阀门在“全开”位置时,面板上的“阀开”绿色指示灯亮,在“全关”位置时黄色的“阀关”指示灯亮,在“全开”与“全关”之间位置时,两个指示灯都不亮。“现场/远控”按键为现场/远控选择键,释放为远控状态指示灯显绿色。按下为现场状态指示灯显红色。
当选择阀门控制箱为远控状态时,电动阀门控制箱 面板上的“开阀”、“关阀”、“停”等按键起控制作用。现场电动装置上的“现场开”、“现场关”按钮不起作用(用户在选购电动装置时,现场控制按钮为任选件,因此部分用户的电动装置可能不具备现场控制功能,但是没有现场控制功能并不影响控制箱的远控功能)。
当选择控制箱为现场状态时,电动装置上的“现场开”、“现场关”按钮起控制作用,控制箱面板的“开阀”、“关阀”、“停”等按键不起作用。按下“开阀”按键,电机电源被接通,电机转动,当阀门到达“全开”位置时1GXK微动开关被凸轮触压,电机停止转动,同时2GXK微动开关被另一个凸轮触压,指示“阀关”的黄色指示灯亮。当电动阀门在开向或关向工作行程中需停止,可按下“停”按键。电动阀门在开向或关向工作过程中如出现了“过力矩”情况,电动装置的凸轮就会触压KZK或GZK二个微动开关中的一个,电机随即停止转动,并接通了报警电路,面板上的红色故障指示灯亮,同时蜂鸣器发出4KHz的报警声。
四、DKX型电动阀门控制箱 安装与调整
根据您所选购的型号规格按图将其安装固定。用电缆按相同的端子号将控制箱和电动装置的端子连接起来。如果用户所订购的电动装置不带现场控制按钮则12、13、14不接即可,不会影响控制箱 的“远控”功能。把三相电源分别接到控制箱 的A、B、C、N端子上。确认接线无误后,接通面板上的电源开关,检查控制箱是否工作在“远控”状态。如果不是“远控”状态请设置为“远控”状态。用手轮将电动阀门开启至约50%开度时,按“开”或“关”按键,检查阀门的旋向与所按的按键是否一致,如不一致立即按“停”,切断电源,调换三相电源中的二相。分别按下“开”、“关”、“停”按键,检查工作是否正常。当阀门处于“全开”位置时,检查开度表指针是否指示到100%刻度,如有误差请微调前面板上的开度“调整”使开度表指示为100%(本机出厂时均已调在良好位置附近,用户无需做大的调整)。与阀门电动装置联调,详见控制原理图。
五、DKX型电动阀门控制箱 原理图
六、DKX-G1A5型电动阀门控制箱






