正文
SEMEM_FSH I智能阀门控制器
阅读 好评
产品描述:数字设定、显示、 限位、电机堵转保护、断线报警及阀门自校功能的智能电动阀门控制器。能可靠、稳定、准确地控制阀门、风门、挡板及其它定位系统。FSH I型电动阀门智能控制器可广泛应 ...
SEMEM_FSH I智能阀门控制器
SEMEM_FSH I智能阀门控制器

一、FSH I型智能阀门控制器概述:
1.1主要用途:
.电动阀门定位
.调节阀、伺服马达等执行器的操作
.计算机,PLC,调节器控制信号的手/自动切换
1.2主要功能:
.输出限幅功能
.1路调节信号输入及断线处理功能
.1路反馈信号(开度)
.操作输出
.面板按键控制手动/自动状态
.手动/自动状态输出为无源触点信号,操作器处于自动时闭合,处于手动时断开。
.阀位输出
.上电状态预置
1.3主要特点:
.测量误差小于0.2%F.S,并具备调校,数字滤波功能,可减小传感器、阀位器的误差,有效提高系统测量、控制精度
.反馈输入适用于电流信号类型
.工作过程:

二、FSH I型智能阀门控制器型号:
1: 表示外形尺寸: 96(W)×96(H)×114(L)
2:面板形式:方形无光柱
3:反馈输入信号:直流电流输入,4mA ~20mA
4:调节输入信号:直流电流输入,4mA~20mA
5:操作输出信号:直流电流输出,4mA~20mA
6:手/自动状态输出: 手/自动状态输出为无源触点信号,操作器处于自动时闭合,处于手动时断开
7:阀位输出:直流电流输出,4mA~20mA
8:仪表电源:220V AC
三、FSH I型智能阀门控制器参数:
3.1 基本技术规格
.电 源:220V AC,供电的仪表:220V±10%,功耗小于7VA
.工作环境:0℃~50℃,湿度低于90%,R.H
.显示范围:-1999~9999,小数点位置可设定
.显示颜色:红色
.显示分辨力:1/10000
.基本误差:小于±0.2%F.S
.测量分辨力:1/60000,16位A/D转换器
.测量控制周期:0.4秒
.电流操作输出:4mA~20 mA ,负载能力大于600Ω
.输出分辨力:1/1000,误差小于±0.5% F.S
3.2 选配件技术规格
.报警输出:触点容量220V AC,3A(上限、下限)
.模拟光柱显示0-100
.继电器操作输出
.开关量输入控制
该功能通过外部无源触点开关控制操作器的手/自动状态,开关闭合时操作器为自动状态,断开时为手动状态。
四、FSH I型智能阀门控制器安装:
.为确保正常使用,接线必需在断电后进行。
.交流供电的仪表,其
端是电源滤波器的公共端,有高压,只能接大地,禁止与仪表其它端子接在一起。
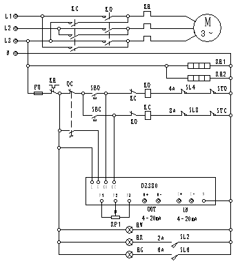
.规格96×96 尺寸的仪表:端子接线图

五、FSH I型智能阀门控制器 面板及按键说明:

①:反馈显示窗(开度)
②:操作输出显示窗(输入)
③:手/自手动/自动切换键
④:增加键
减小键
⑤:设置参数设置键
⑥:手动、自动指示灯
六、FSH I型智能阀门控制器 伺服控制器模块:
6.1.模块外型及接口说明

·端子 L , N 连接 AC 220V 电源的火线和零线,为调节型模块供电
·端子 P1 , P2 , P3 连接阀位电位器
·端子 KO , KC 用于接开向和关向交流接触器
·端子G 为调节型模块控制回路电源
·端子0- , 0+ 用于阀位 DC4 ~ 20mA 输出
·端子Ⅰ- ,Ⅰ+ 用于接受 DC4 ~ 20mA 控制信号
6.2.接线示例




